全站搜索
PCPW012
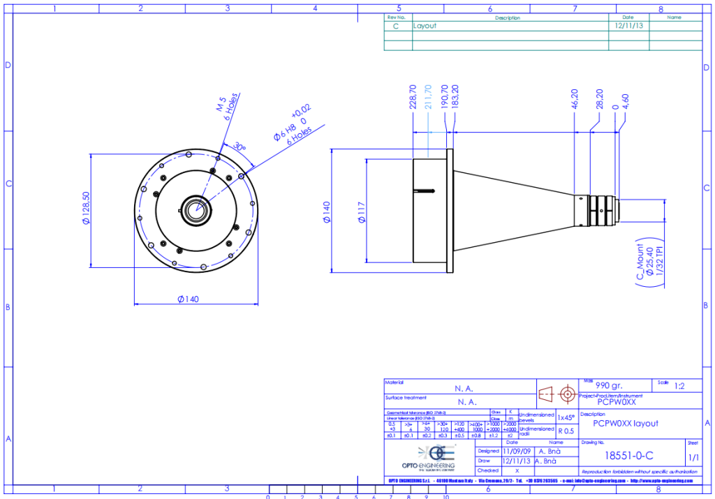
产品介绍
适用于1/2″探测器的PolyView多面镜头。
尺寸图
市面上的USB3.0采集卡方案包含但不限于 ASM1024可以支持较高速率,和5米线缆,但在帧率波动和概率性掉线上,不如瑞萨方案。 且原厂不推荐新设计使用,虽无明确停产通知,但交付持续性上可能存在风险。 MV-GU2004由于芯片方案支持10Gbps的USB3.1协议,因此对…
loading…
已经是到最后一篇内容了!